Send Inquiry

LMBK..UU

SEND INQUIRY
LMBK..UU
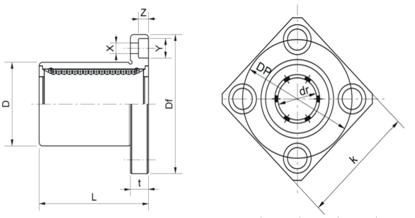
  • Flanged Linear Ball Bearing LMBK…UU

    This type is a inch dimension series generally used in America.

  •  


  • 方法兰
    LMBK...UU
    主要尺寸和公差 
    Main dimensions and tolerance (T)
    偏心Eccentricity
    Inch
    μ m
    垂直度Squareness
    Inch
    μ m
    额定负荷
    Basic load rating
    重量
    Weight
    (gf)
    drDL法兰 Flange动负荷
    Dynamic
    C N
    静负荷
    Static 
    Co N
    inch
    mm
    公差T inch
    μ m
    inch
    mm
    公差T
    inch
    μ m
    inch
    mm
    公差T inch
    μ m
    Df
    inch 
    mm
    K
    inch 
    mm

    inch 
    mm
    Dp 
    inch
    mm
    X
    inch 
    mm
    Y
    inch 
    mm
    Z
    inch mm
      LMBK4UU.2500 6.3500
    ﹣.00040
    0
    -9
    .5000 12.7000
    ﹣.00045
    0
    -11
    .7500 19.050±.012
    ±300
    1.2500 31.7501.0000 25.4000.219 5.556.8750 22.225.1560 3.969.2500 6.350.1410 3.5720.0005
    12
    0.0005
    12
    20626525
      LMBK6UU.3750 9.525.6250 15.8750
    ﹣.00050
    0
    -13
    .8750 22.2251.5000 38.1001.2500 31.750.2500 6.3501.0620 26.988.1875 4.763.2970 7.541.1720 4.36622531432
      LMBK8UU.5000 12.700.8750 22.2251.2500 31.7500
    ﹣.008
    0
    ﹣200
    1.7500 44.4501.3750 34.925.2500 6.3501.312 33.338.1875 4.763.2970 7.541.1720 4.36651078468
    LMBK10UU.6250 15.8751.1250 28.5751.500 38.1002.0000 50.8001.5000 38.100.2500 6.3501.5620 39.688.1875 4.763.2970 7.541.1720 4.3667741,180124
    LMBK12UU.7500 19.0500
    ﹣.00040
    0
    -10
    1.2500 31.7500
    ﹣.00065
    0
    -16
    1.6250 41.2752.1875 55.5631.6875 42.863.3125 7.9381.7180 43.660.2187 5.556.3440 8.731.2030 5.1590.0006
    15
    0.0006
    15
    8621,370150
    LMBK16UU1.0000 25.4001.5625 39.6882.2500 57.1500
    ﹣.012
    0
    -300
    2.5000 63.5002.0000 50.800.3125 7.9382.0310 51.594.2187 5.556.3440 8.731.2030 5.1599801,570280
    LMBK20UU1.2500 31.7500
    ﹣.00050
    0
    -12
    2.0000 50.8000
    ﹣.00075 
    0
    -19
    2.6250 66.6753.1250 79.3752.5000 63.500.3750 9.5252.5625 65.088.2812 7.144.4060 10.319.2656 6.7470.0008
    20
    0.0008
    20
    1,5702,740580
    LMBK24UU1.5000 38.1002.3750 60.3253.0000 76.2003.7500 95.2503.0000 76.200.5000 12.7003.0625 77.788.3440 8.731.5000 12.700.3280 8.3342,1804,020930
    LMBK32UU2.0000 50.8003.0000 76.2000
    ﹣.00090
    0
    -22
    4.0000 101.6004.3750 111.1253.5000 88.900.5000 12.7003.6875 93.662.3440 8.731.5000 12.700.3280 8.3340.001
    25
    0.001
    25
    3,8207,9401580
    LMBK40UU2.5000 63.5000
    ﹣.00060
    0
    -15
    3.7500 95.2505.0000 127.0005.3750 136.5254.3750 111.125.7500 19.0504.5625 115.887.4062 10.319.6250 15.875.3750 9.5254,70010,0003200
    LMBK48UU3.0000 76.2004.5000 114.3006.0000 152.4000
    ﹣.016
    0
    -400
    6.1250 155.5755.0000 127.000.7500 19.0505.3125 134.937.4062 10.319.6250 15.875.3750 9.5257,35016,0005000
    LMBK64UU4.0000 101.6000
    ﹣.00080
    0
    -20
    6.0000 152.400
    ﹣.00100 
    0
    ﹣25
    8.0000 203.2008.0000 203.2006.7500 171.450.8750 22.2257.0000 177.800.5000 12.700.7125 18.097.5000 12.7000.0012
    30

if you need to speak to us about general query fill in the form belowand we will call you back within the same working day.

CONTACT

2nd Floor, Building 2, No.128 Buzheng East Road, Jishigang Town, Haishu District, Ningbo 315171, China

Tel: +86-574-87676065

Fax: +86-574-87675899

Copyright © 2018-2025 Ningbo Lehonb Machinery Co.,Ltd All Right Resrrved   Sitemap